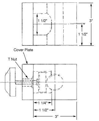
Amateur Woodworker